We use cookies to provide you with personalized services and improve our website. More info
Ok

#2  Contents

#3  Imdustry News: BASF | Cerafiltec

#4  Industry News: Sensiron | HIMA

#5  Industry News: WIKA | AMA

#6  Industry News: ABB | PI

#7  Measurement & Instrumentation: Choosing the Right Flow Meter for Beverage Dispensing

#8  Measurement & Instrumentation: Sensotech | Vaisala

#9  Measurement & Instrumentation: Emerson | SICK

#10  Measurement & Instrumentation: JUMO | Servomex

#11  Automation: Exclusive Interview

#12  Automation: TURCK | Phoenix Contact

#13  Automation: Softing | EK Robotics

#14  Automation: Digitalization Through Integration of Augmented Reality at Device Level

#15  Pumps & Valves: Sliding Gate Valves Help to Reduce Operating Costs and CO₂ Emissions

#16  Pumps & Valves: ProMinent | Rotork

#17  Maintenance: Flir | Sensonics

#18  Index

#19  Contacts

Nobel Prize for Metal-Organic Frameworks (MOFs)

BASF pro­duces met­al-or­gan­ic frame­works (MOFs) for CO₂ cap­ture on an in­dus­tri­al scale. These nano­struc­tures can ab­sorb large quant­it­ies of mo­lecules on their sur­face. For the de­vel­op­ment of these MOF struc­tures, the Roy­al Swedish Academy of Sci­ences in Stock­holm will award this year’s No­bel Prize in Chem­istry on Decem­ber 10, 2025. The prize will go to the ma­ter­i­als re­search­ers Prof. Omar M. Yaghi, Uni­versity of Cali­for­nia, USA, Prof. Su­sumu Kit­agawa, Kyoto Uni­versity, Ja­pan, and Prof. Richard Rob­son, Uni­versity of Mel­bourne, Aus­tralia. 

At the prize an­nounce­ment in Oc­to­ber, the No­bel Com­mit­tee for Chem­istry presen­ted, among oth­er things, the MOF com­pound CALF-20, which BASF pro­duces at its site in Seneca, South Car­o­lina, USA. The Ca­na­dian com­pany Svante Tech­no­lo­gies Inc. uses CALF-20 to sep­ar­ate CO₂ from gas streams.

MOFs are sponge-like crys­tal­line, three-di­men­sion­al struc­tures made of metals and or­gan­ic mo­lecules. They fea­ture nan­o­por­ous cav­it­ies and an in­tern­al sur­face area of up to 10,000 square meters per gram -  lar­ger than a foot­ball pitch - and can store large quant­it­ies of mo­lecules. MOFs can be en­gin­eered to se­lect­ively cap­ture and store spe­cif­ic mo­lecules. Thanks to their struc­ture, they are ideally suited to ex­tract gases such as CO₂ or wa­ter va­por in con­fined spaces, or to cata­lyse chem­ic­al re­ac­tions. “Our MOFs are already be­ing used in com­mer­cial ap­plic­a­tions to cap­ture CO₂ and to re­cov­er wa­ter from the air. We are very pleased that the No­bel Prize Com­mit­tee re­cog­nizes the sig­ni­fic­ance of these ma­ter­i­als and at the same time is high­light­ing fur­ther fields of ap­plic­a­tion, which we aim to de­vel­op to­geth­er with our part­ners,” said Dr. De­tlef Ruff, Seni­or Vice Pres­id­ent Chem­ic­al Cata­lysts and Ad­sorb­ents at BASF.

MOFs: From the Be­gin­ning to Today

BASF’s re­search in­to MOFs began around 25 years ago. Dur­ing this time, re­search­ers have in­vest­ig­ated and de­veloped a wide vari­ety of MOFs for dif­fer­ent ap­plic­a­tions: from hy­dro­gen stor­age and nat­ur­al gas stor­age to the stor­age of CO₂ and wa­ter.

Cur­rently, BASF is primar­ily fo­cused on two ap­plic­a­tions: the stor­age of wa­ter and the stor­age of CO₂. For wa­ter stor­age, MOFs ex­tract mois­ture from the air. BASF is already util­iz­ing this in pi­lot projects, for ex­ample, to de­hu­mid­i­fy air con­di­tion­ing sys­tems. Al­tern­at­ively, in the fu­ture, the wa­ter stor­age cap­ab­il­ity of MOFs could help to sup­ply dry re­gions with wa­ter cap­tured from desert air. MOFs can also be used to re­duce car­bon emis­sions in vari­ous in­dus­tries.

The No­bel Prize award demon­strates that BASF’s per­sever­ance in MOF re­search has paid off. Over many years, BASF has worked closely with Pro­fess­or Omar Yaghi and main­tains a strong con­nec­tion with him to this day. Among oth­er things, Yaghi is co-founder of the Cali­for­nia Re­search Al­li­ance (CARA), a re­search col­lab­or­a­tion ini­ti­ated by BASF in the USA.
 

Deliveries for the World’s Largest Ceramic Membrane Bioreactor

Once com­plete, this re­cord-break­ing in­stall­a­tion will re­use 49.2 mil­lion liters (13.0 mil­lion gal­lons) of mu­ni­cip­al wastewa­ter every day, trans­form­ing it in­to high-qual­ity wa­ter for cool­ing xAI’s next-gen­er­a­tion su­per­com­put­ing data cen­ter, one of the most power­ful AI in­fra­struc­tures ever built.

The last de­liv­er­ies mark the cul­min­a­tion of months of in­tense en­gin­eer­ing and pre­ci­sion man­u­fac­tur­ing at CER­A­FIL­TEC’s pro­duc­tion site. Each mod­ule rep­res­ents the latest evol­u­tion of the flat-sheet ceram­ic mem­brane tech­no­logy, en­gin­eered to de­liv­er the highest mech­an­ic­al strength, ex­treme chem­ic­al res­ist­ance, and un­matched lifespan in the in­dustry.

Un­like poly­mer­ic mem­branes, CER­A­FIL­TEC’s ro­bust ceram­ic mem­brane solu­tion con­sist­ently de­liv­ers stable per­form­ance, even when ex­posed to ag­gress­ive clean­ing or fluc­tu­at­ing pro­cess con­di­tions. They main­tain full per­meab­il­ity and in­teg­rity over dec­ades of use, en­abling en­ergy-ef­fi­cient fil­tra­tion even un­der high solids loads. This dur­ab­il­ity is key to xAI’s goal of achiev­ing con­tinu­ous, low-main­ten­ance wa­ter re­use op­er­a­tions on a mega scale, sup­port­ing 24/7 data pro­cessing with min­im­al en­vir­on­ment­al im­pact. “See­ing the fi­nal ship­ment leave Saarbrücken is more than a lo­gist­ic­al mile­stone, it is proof of how ad­vanced ma­ter­i­als and pur­pose­ful en­gin­eer­ing can en­able sus­tain­ab­il­ity at scale,” said Tor­sten Win­ter­ger­ste, CEO at CER­A­FIL­TEC. “To­geth­er with xAI, we are show­ing that re­li­able, cir­cu­lar wa­ter man­age­ment is not only pos­sible for crit­ic­al in­fra­struc­ture, it is es­sen­tial.”

As the project ad­vances to­ward com­ple­tion, it stands as a de­fin­ing ex­ample of how ceram­ic mem­brane tech­no­logy is re­shap­ing wa­ter treat­ment for the di­git­al age, of­fer­ing a solu­tion that is not only more sus­tain­able, but also more re­si­li­ent and fu­ture­proof.
 

Groundbreaking Ceremony for New Sensirion Production Building

The ex­ist­ing pro­duc­tion build­ing C on the com­pany’s headquarter at Laubisrütistrasse in Stäfa is at full ca­pa­city and can­not ac­com­mod­ate any ad­di­tion­al pro­duc­tion fa­cil­it­ies. To en­sure re­li­able and on-time de­liv­ery in the fu­ture, Sensiri­on is cre­at­ing the ca­pa­city it needs for fur­ther growth, tech­no­lo­gic­al de­vel­op­ment and great­er pro­duc­tion re­li­ab­il­ity with the new build­ing F. As a sys­tem­ic­ally im­port­ant sup­pli­er with long-term cus­tom­er con­tracts, Sensiri­on has an ob­lig­a­tion to guar­an­tee max­im­um se­cur­ity of sup­ply. Some key cus­tom­ers also re­quire a re­dund­ant pro­duc­tion site. 

The new pro­duc­tion build­ing will also re­quire the con­struc­tion of a new of­fice build­ing for work­sta­tions, as ad­di­tion­al en­gin­eers will be needed to handle the gradu­al ex­pan­sion of pro­duc­tion fa­cil­it­ated by the new build­ing. This is why the prop­erty at Mor­itzberg was pur­chased. It will provide the space for the high-tech core pro­cesses, in­clud­ing their de­vel­op­ment and pro­duc­tion, at the headquar­ters in Stäfa.

Sus­tain­able build­ing tech­no­logy

The new pro­duc­tion build­ing F will be in­teg­rated in­to the site map of all Sensiri­on build­ings at the Stäfa site. Cov­er­ing an area of 11,000 m², it will house, in ad­di­tion to high-tech clean­rooms, a lo­gist­ics area with de­liv­ery fa­cil­it­ies, tech­nic­al rooms and park­ing spaces on two un­der­ground levels. It is right by and con­nec­ted via walk­way to the main build­ing A at Laubisrütistrasse 50, which houses the re­cep­tion, of­fice and labor­at­ory spaces. 

The build­ing will meet the Min­er­gie P sus­tain­ab­il­ity stand­ard. The ma­ter­i­als used in the build­ing and its con­struc­tion will also com­ply with the DGNB (Ger­man Sus­tain­able Build­ing Coun­cil) Gold cer­ti­fic­a­tion stand­ard. The sur­round­ing area, in­clud­ing by the bus stop, will be up­graded with a tree-lined av­en­ue along Laubsrütistrasse and a foun­tain.

Glob­al suc­cess — loc­al roots

Sensiri­on de­vel­ops and man­u­fac­tures sensors and sensor solu­tions for the auto­mot­ive in­dustry, med­ic­al tech­no­logy and in­dus­tri­al ap­plic­a­tions. Today, for ex­ample, Sensiri­on sensors are in­stalled in one out of every three cars world­wide, and 10 mil­lion pa­tients rely on vent­il­at­ors from the sensor man­u­fac­turer—im­press­ive proof of the in­nov­at­ive strength and glob­al reach of the com­pany headquartered in Stäfa, on the right bank of Lake Zurich.

HIMA and DEUTA Partner for new SafeHMI solution

HI­MA, pro­vider of safety-re­lated auto­ma­tion solu­tions, and DEUTA, a spe­cial­ist in cer­ti­fied dis­play and safety tech­no­logy, have jointly launched a new solu­tion, SafeHMI, that com­bines HI­MA safety sys­tems and func­tion block lib­rar­ies with a safety-re­lated hu­man-ma­chine in­ter­face (HMI) pan­el based on Icon­Trust tech­no­logy. The in­nov­at­ive solu­tion sets new stand­ards in safety-re­lated visu­al­iz­a­tion, of­fer­ing con­text-sens­it­ive alarm man­age­ment, safe op­er­a­tion and dis­play mon­it­or­ing in ac­cord­ance with SIL 3 (IEC 61508) and has been con­sist­ently de­signed with an aim to meet func­tion­al safety re­quire­ments.
While clas­sic SCADA sys­tems and MIM­IC pan­els of­ten reach their lim­its in safety-crit­ic­al ap­plic­a­tions, SafeHMI de­liv­ers clear, pri­or­it­ized in­form­a­tion – ex­actly where it is re­quired. 

"With DEUTA, we have a tech­no­logy part­ner with dec­ades of ex­per­i­ence in the field of safety-re­lated dis­plays, es­pe­cially in the rail and trans­port sec­tors," said Jörg de la Motte, CEO of the HI­MA Group. "With SafeHMI, we are cre­at­ing a solu­tion that makes func­tion­al safety in the in­dus­tri­al en­vir­on­ment vis­ible, con­trol­lable and di­git­ally man­age­able." 

Dy­nam­ic alarm dis­play and se­cure in­put pro­cesses

At the heart of the sys­tem is the dy­nam­ic alarm dis­play, which re­duces the bur­den on op­er­at­ors dur­ing fault situ­ations. Rel­ev­ant alarms are auto­mat­ic­ally pri­or­it­ized, along with con­cise in­struc­tions for ac­tion and lim­ited to a max­im­um of four sim­ul­tan­eous entries. This en­sures that an over­view is main­tained, even in crit­ic­al mo­ments and op­er­at­ing er­rors are avoided.

The solu­tion al­lows to make in­puts, ac­know­ledge­ments or safe over­rides dir­ectly through the touch pan­el – tested, doc­u­mented and val­id­ated ac­cord­ing to SIL 2/3. This means that main­ten­ance func­tions or re­cipe changes can be car­ried out di­git­ally and doc­u­mented in an audit­able man­ner. Bernd Schäfer, Product Man­ager at HI­MA, said: "With SafeHMI, we are tak­ing dis­play and op­er­at­ing lo­gic to a new level of safety. In crit­ic­al situ­ations, op­er­at­ors not only re­ceive in­form­a­tion, but also clear in­struc­tions for ac­tion and they can rely on what they see be­ing ac­cur­ate."

Dis­play with a guar­an­tee of re­li­ab­il­ity 

A key safety fea­ture is the Icon­Trust tech­no­logy de­veloped by DEUTA. It con­tinu­ously mon­it­ors screen con­tent and re­li­ably de­tects any de­vi­ations between the dis­played and ex­pec­ted val­ues. This makes the dis­play it­self an act­ive safety ele­ment that is cer­ti­fied up to SIL 3, of­fer­ing op­er­at­ors max­im­um re­li­ab­il­ity.

Fully in­teg­rated in­to the HI­MA Safety plat­form

The SafeHMI solu­tion is fully in­teg­rated in­to the HI­MA Safety Plat­form. Con­fig­ur­a­tion, modi­fic­a­tions and en­hance­ments are car­ried out us­ing stand­ard­ized func­tion blocks, which are offered as part of a cer­ti­fied lib­rary. This makes SafeHMI an im­port­ant com­pon­ent of HI­MA’s #safety­goes­di­git­al ini­ti­at­ive, with which the com­pany is driv­ing di­git­al­iz­ing of the en­tire life cycle of safety-re­lated sys­tems and their peri­pher­als. 
"In part­ner­ship with HI­MA, we can now provide gen­er­ic safety tech­no­logy for op­er­at­ing and dis­play units used in the rail­way sec­tor with over 30,000 units for new fields of ap­plic­a­tion for which no com­par­able solu­tion has been avail­able to date. In com­bin­a­tion with the HI­MA safety sys­tem, the ap­plic­a­tion pos­sib­il­it­ies are al­most lim­it­less," said Dr Rudolf Ganz, CEO of the DEUTA Group and DEUTA-WERKE.
 

WIKA Strengthens Management Team

As Executive Vice President, Axel Schwerdtfeger will focus on the strategic development of the company division’s product and service portfolio, including that of its affiliated subsidiaries. He will also prioritise delivering innovative, high-value solutions for customers and driving continuous optimisation of business processes. 
“Global megatrends such as digitalisation and decarbonisation are fundamentally reshaping business requirements – while simultaneously opening up vast opportunities for innovation and growth,” says Axel Schwerdtfeger. “With our broad technology portfolio, international orientation and strong internal collaboration, we at WIKA are ideally positioned to actively shape this transformation. I look forward to working with our customers to develop forward-looking solutions that deliver genuine added value.”

Prior to joining WIKA, Axel Schwerdtfeger served as CTO and member of the Executive Board at HAWE Hydraulik SE, a Munich-based manufacturer of mechatronic and hydraulic components and systems. Over 20 years, he held various roles at the international family-owned company with global subsidiaries, including a two-year tenure as COO of its branch in Shanghai, China. He holds a degree in industrial engineering.

“Axel Schwerdtfeger possesses a deep understanding of the industries and markets we serve,” says Alexander Wiegand, Chairman and CEO of WIKA. “He is also a determined leader. He will play a pivotal role in positioning our Process Solutions company division so that it is ideally equipped to meet the challenges of today and tomorrow.”

AMA Innovation Award 2026: Submit Your Applications Now

The AMA Association for Sensor and Measurement Technology (AMA) is calling on scientists and developers from industry and research to apply for the prestigious AMA Innovation Award 2026. The association is looking for groundbreaking research and development results in sensor and measurement technology with clear market relevance. The deadline for submissions is January 22, 2026.

Special category for young companies

Individuals and development teams whose solutions demonstrate innovation and economic relevance are eligible to apply. The AMA Innovation Award is endowed with 10,000 euros. In addition, young companies that have been on the market for no longer than five years, employ fewer than 50 people, and have an annual turnover of no more than 10 million euros can win the special “Young Company” award. The winner will receive a free exhibition stand at SENSOR+TEST 2026.

“We invite you to submit your forward-looking ideas in the field of sensor and measurement technology and present them to an international audience of experts at SENSOR+TEST 2026,” says Klaus Drese from Coburg University, chairman of the jury. "Whether you represent an established company or a start-up, whether you operate nationally or internationally, we look forward to your innovations and contributions that reflect the dynamism of our industry."

The AMA Innovation Award has been presented for 26 years and recognizes the achievements of developers and development teams, regardless of the companies or institutions behind them. The jury, consisting of experts from science, research, and industry, evaluates the scientific quality, degree of innovation, and market prospects of the submissions.

The nominations and the winner of the special “Young Company” award will be announced at the AMA press conference on March 3, 2026. The winners of the AMA Innovation Award 2026 will be honored at the opening ceremony of SENSOR+TEST 2026 on June 9, 2026, in Nuremberg. All nominated teams will present their innovations to an international audience of experts at the event.

The conditions of participation and application documents for the AMA Innovation Award 2026 and the special category “Young Company” can be found at: https://www.ama-sensorik.de/en/science/ama-innovation-award/

ABB Launches Embedded ESAT Technology in Drives at ADIPEC 2025

ABB launched a ser­vice ADIPEC 2025 in Abu Dh­abi, UAE, em­bed­ding Sam­ot­ics-powered Elec­tric­al Sig­na­ture Ana­lys­is (ESA) tech­no­logy in­to leg­acy drives. This en­ables in­dus­tri­al play­ers to col­lect per­form­ance-re­lated data, which can then be ana­lyzed to provide main­ten­ance teams with ac­tion­able, real-time in­sights on the con­di­tion of their as­sets. This col­lab­or­a­tion is based on the long-term stra­tegic part­ner­ship of ABB and the Dutch com­pany Sam­ot­ics, a glob­al pro­vider of con­di­tion mon­it­or­ing tech­no­logy based on ESA.

Up­grad­ing equip­ment for a longer product life

Em­bed­ding ESA tech­no­logy un­locks ad­vanced con­di­tion mon­it­or­ing - dir­ectly from the drive - provid­ing in­sight in­to the health of the power­train across as­sets such as mo­tors, pumps, fans, mix­ers, and con­vey­ors. Drives will now be able to mon­it­or and identi­fy changes in op­er­at­ing be­ha­vi­or, such as bear­ing wear or dam­age, coup­ling or gear mis­align­ment or pump cavit­a­tion. This means that re­medi­al ac­tion can be taken well be­fore a costly fail­ure and/or long down­time can oc­cur.

“This leap for­ward in the mod­ern­iz­a­tion of leg­acy drives prom­ises to be a cata­lyst for the di­git­al trans­form­a­tion of in­dustry,” says Os­wald Deuchar, Glob­al Head of Mod­ern­iz­a­tion Pro­gram, ABB Mo­tion Ser­vices. “It en­ables quick, seam­less and cost-ef­fi­cient ad­op­tion of ESA tech­no­logy for en­hanced up­time, and im­me­di­ate ac­cess to ABB’s sup­port and ser­vices. Should an is­sue be de­tec­ted, our cus­tom­ers can rely on the full sup­port of ABB’s glob­al ex­pert net­work, in­clud­ing tar­geted ac­tions to keep op­er­a­tions run­ning con­sist­ently and re­li­ably.”

“Be­cause ESA is em­bed­ded in the drive, it can mon­it­or as­sets where oth­er tech­no­lo­gies struggle, such as sub­merged pumps or equip­ment in hot and tox­ic areas,” adds Si­mon Jagers, Founder & co-CEO of Sam­ot­ics. “This is a key step to­ward autonom­ous, self-op­tim­iz­ing op­er­a­tions that are at the heart of the fact­ory of the fu­ture.”

Real-time con­di­tion status

The ESA-en­abled drives gath­er elec­tric­al data dir­ectly from the power­train. Powered by Sam­ot­ics’ ana­lyt­ics and sup­plied to in­dus­tri­al play­ers by ABB’s glob­al ex­pert net­work, the data are trans­lated in­to real-time in­sights on as­set con­di­tions. This es­tab­lishes a sol­id plat­form for ac­tion­able re­com­mend­a­tions and a clear path for­ward, free­ing up skilled labor and max­im­iz­ing up­time, for op­er­a­tion­al re­si­li­ence.

Ini­tially, the ESA mod­ern­iz­a­tion ser­vice will fo­cus on two ranges of ABB’s low-voltage (LV) VSDs — the cab­in­et-built drives ACS600 and ACS800. In re­cog­ni­tion of evolving in­dustry re­quire­ments, the mod­ern­ized drives also be­ne­fit from ABB’s TÜV-cer­ti­fied cy­ber se­cur­ity meas­ures.

As part of the ABB Abil­ity™ Con­di­tion Mon­it­or­ing suite of di­git­al solu­tions and ser­vices, Sam­ot­ics’ ESA com­ple­ments ABB’s well-es­tab­lished vi­bra­tion ana­lys­is cap­ab­il­it­ies to provide the most com­plete view of power­train health. From simple low-speed as­sets to com­plex, high-speed sys­tems, these two solu­tions en­sure early fault de­tec­tion, clear­er ser­vice ac­tions and max­im­ized re­li­ab­il­ity.
 

Certification Is Now Available for All Device Types With Profinet Over APL

The func­tion­al­ity of PROFINET for ex­plo­sion-proof ap­plic­a­tions in pro­cess auto­ma­tion is avail­able in its com­plete scope. In joint work­ing groups, ex­perts from PROFIB­US & PROFINET In­ter­na­tion­al (PI) are cur­rently work­ing closely with end-users to in­tens­ively eval­u­ate the po­ten­tial for use and in­ter­op­er­ab­il­ity of PROFINET over APL products from dif­fer­ent man­u­fac­tur­ers in sev­er­al pi­lot plants in the chem­ic­al in­dustry. The basis for a high de­gree of in­ter­op­er­ab­il­ity is a cer­ti­fic­a­tion test for all product types, in­clud­ing con­trol­lers, sensors, ac­tu­at­ors, and switches. Tests for ac­tu­at­ors have been ad­ded to the latest ver­sion of the PROFINET Test Bundle. The first products have already suc­cess­fully passed the cer­ti­fic­a­tion tests. For ex­ample, Sam­son has re­ceived the first cer­ti­fic­ates for its po­si­tion­ers.

"In ad­di­tion to de­vel­op­ing user-friendly tech­no­logy and es­tab­lish­ing tar­geted meas­ures for product qual­ity as­sur­ance, we be­lieve that work­ing with users is an im­port­ant step in es­tab­lish­ing the tech­no­logy in plants and pro­mot­ing its ac­cept­ance. For years, we have been work­ing closely with users throughout the en­tire life cycle of tech­no­logy. This be­gins with the cre­ation of re­quire­ments and ex­tends to the eval­u­ation of pro­to­typ­ic­al or real products in pi­lot or demo sys­tems. The ex­per­i­ence gained in this pro­cess is in­cor­por­ated in­to the main­ten­ance and fur­ther de­vel­op­ment of our tech­no­lo­gies," says PI Chair­man Xaver Schmidt.

Next step to de­ploy­ment

In ad­di­tion to phys­ic­al lay­er tests to veri­fy suit­ab­il­ity for in­trins­ic­ally safe ap­plic­a­tions, the scope of cer­ti­fic­a­tion test­ing for PROFINET over APL products in­cludes ad­di­tion­al APL-spe­cif­ic test cases for veri­fy­ing PROFINET com­mu­nic­a­tion, the ex­e­cu­tion of an APL-spe­cif­ic test setup for in­ter­op­er­ab­il­ity scen­ari­os, and tests for the Pro­file for PA Devices. With the avail­ab­il­ity of cer­ti­fic­a­tion for ac­tu­at­ors, the PI ex­perts for PROFINET over APL have com­pleted an­oth­er step to­ward de­ploy­ment in pro­cess auto­ma­tion.  

In the mean­time, end-users have pos­it­ively eval­u­ated the suit­ab­il­ity of PROFINET over APL with cer­ti­fied products in sev­er­al test lab in­stall­a­tions. PI has ini­ti­ated activ­it­ies in­volving PI ex­perts and users from the pro­cess in­dustry to define fur­ther field tests. These will also be ex­ten­ded to the top­ic of se­cur­ity, con­sid­er­ing the un­der­ly­ing non-Eth­er­net com­mu­nic­a­tion sys­tems. 

In ad­di­tion, the top­ics of func­tion­al safety with PROFIsafe and the cer­ti­fic­a­tion of switches are on PI's agenda, which are also be­ing de­veloped in close co­oper­a­tion with end-users from the pro­cess in­dustry.
 

Choosing the Right Flow Meter for Beverage Dispensing

Here the dif­fer­ences between the tech­no­lo­gies used with­in each flow meter - the well-es­tab­lished Bever­age Tur­bine Meter and the newly re­leased Ul­tra­son­ic Bever­age Meter are de­scribed:
The Tur­bine Meter op­er­ates on a mech­an­ic­al prin­ciple us­ing a Pelton wheel tur­bine and sap­phire bear­ings. This design provides con­sist­ent re­peat­ab­il­ity and has 1.5% Full Scale Ac­cur­acy but in­tro­duces mov­ing parts in­to the sys­tem.

The Ul­tra­son­ic Meter uses the ‘time of flight’ prin­ciple to meas­ure flow, with no mov­ing parts. This elim­in­ates mech­an­ic­al wear and con­tam­in­a­tion risk, while of­fer­ing a com­pletely clean, straight bore, and ac­cur­acy bet­ter than 2% of read­ing.

Ma­ter­i­als & Design

Tur­bine Meters are con­struc­ted from PVDF with sap­phire bear­ings and Viton™ seals, it is ro­bust and res­ist­ant to a wide tem­per­at­ure range. This device is NSF-ap­proved un­der the NSF stand­ard 169 as ‘Spe­cial Pur­pose Food Equip­ment and Devices’.

Built from food ap­proved ABS/PC poly­mer with Viton™ seals the Ul­tra­son­ic Meters  of­fera light­weight design with a straight 6 mm bore. The ab­sence of in­tern­al ob­struc­tions makes it easy to clean us­ing sponge balls. All parts are to FDA / EU food ap­proved stand­ards and NSF-ap­prov­al will be sought for this product when it reaches full com­mer­cial­isa­tion.

Per­form­ance Com­par­is­on

  • Gran­u­lar­ity:
    Bever­age Tur­bine(BT): 1400 pulses per litre (lower res­ol­u­tion).
    Ul­tra­son­ic Bever­age(UB): 5000 pulses per litre (high­er res­ol­u­tion).

  • Flow Range
    BT: 0.6–10 l/min - lim­ited low-end cap­ab­il­ity.
    UB: 0.2–10 l/min - bet­ter for low flow ap­plic­a­tions.

  • Lin­ear­ity & Re­peat­ab­il­ity:
    BT: ±1.0% FSD lin­ear­ity, ex­cel­lent ±0.1% re­peat­ab­il­ity.
    UT: ±2% of read­ing lin­ear­ity, ±0.5% re­peat­ab­il­ity.

  • Tem­per­at­ure Range: 
    BT: 0–125 °C, suit­able for hot and cold bever­ages.
    UT: 3–15 °C, re­stric­ted primar­ily to chilled bever­ages.
     

In­stall­a­tion & Op­er­a­tion

Both bever­age meters use John Guest 3/8” push-fit con­nec­tions, en­sur­ing com­pat­ib­il­ity with stand­ard tubing. The pres­sure drop is min­im­ized in both designs, though the ul­tra­son­ic’s straight 6mm bore gives it a lower over­all pres­sure drop. Power re­quire­ments dif­fer slightly: the bever­age tur­bine meter runs from 5–24 VDC, where­as the ul­tra­son­ic mod­els re­quire 7–24 VDC. Both types are cal­ib­rated in-situ by the cus­tom­er to suit the sys­tem re­quire­ments. As the ul­tra­son­ic meter has no con­tact of me­di­um and mov­ing parts it elim­in­ates con­tam­in­a­tion is­sues and al­lows easy clean­ing.

When the costs are con­sidered the Bever­age Tur­bine of­fers a budget-friendly and re­li­able solu­tion, par­tic­u­larly for high-tem­per­at­ure or mixed-use ap­plic­a­tions. While the ul­tra­son­ic meter nearly has five times the cost ini­tially, it is jus­ti­fi­able for hy­gien­ic, low-main­ten­ance, and high-res­ol­u­tion needs in the long run.

The tur­bine tech­no­logy of­fers a low-cost, ro­bust, highly re­peat­able flow­met­er, and cap­able of hand­ling hot bever­ages. But the mov­ing parts with­in the meter re­quire clean­ing and can cause block­ages if not main­tained. In com­par­is­on the ul­tra­son­ic meters of­fer high­er res­ol­u­tion, fact­ory-set­table K factor, po­ten­tial for both NPN and PNP out­puts, and easy clean­ing. Good lin­ear­ity en­ables ef­fect­ive use of the device in vari­able flow rates. But the nar­row tem­per­at­ure range lim­its use to cold bever­ages and comes with high­er up­front cost.

The com­par­is­on shows that both tech­no­lo­gies are up to date. Ul­ti­mately, the de­cision comes down to the ap­plic­a­tion's spe­cif­ic re­quire­ments: wheth­er eco­nomy and tem­per­at­ure ver­sat­il­ity or hy­gien­ic design and pre­ci­sion at low flows are the de­cid­ing factors.
 

Inline Ultrasonic Bubble Detection System

In many in­dus­tri­al pro­cesses, in­clud­ing al­kaline elec­tro­lys­is, the early and re­li­able de­tec­tion of gas bubbles plays a cru­cial role in main­tain­ing pro­cess sta­bil­ity, product qual­ity, and equip­ment pro­tec­tion. Even small amounts of gas can in­dic­ate dis­turb­ances such as leaks, back­flow, or phase trans­itions that com­prom­ise meas­ure­ment ac­cur­acy and over­all sys­tem per­form­ance.

Us­ing ul­tra­son­ic tech­no­logy, SensoTech’s Li­quiSon­ic® sys­tem provides real-time de­tec­tion of gas bubbles dir­ectly in the pro­cess line. The sensor con­tinu­ously ana­lyses acous­tic sig­nals, while an in­tel­li­gent al­gorithm iden­ti­fies char­ac­ter­ist­ic pat­terns caused by gas-re­lated dis­turb­ances. This en­ables op­er­at­ors to re­cog­nize an­om­alies at an early stage and sup­ports both pre­dict­ive main­ten­ance and con­sist­ent pro­cess safety.

Re­place­ment of manu­al sampling

Li­quiSon­ic® sensors are de­signed for con­tinu­ous in­line op­er­a­tion and can sim­ul­tan­eously meas­ure con­cen­tra­tion and de­tect gas bubbles, elim­in­at­ing the need for manu­al sampling. Their ro­bust, main­ten­ance-free design and high meas­ure­ment ac­cur­acy make them suit­able for a wide range of ap­plic­a­tions – from chem­ic­al and en­ergy pro­cesses to car­bon cap­ture, green fuel syn­thes­is, and oth­er flu­id-based sys­tems where re­li­ab­il­ity and trans­par­ency are es­sen­tial. The com­bin­a­tion of two crit­ic­al meas­ure­ment func­tions – con­cen­tra­tion mon­it­or­ing and gas bubble de­tec­tion – in­to a single, re­li­able in­line solu­tion in­creases ef­fi­ciency, op­er­a­tion­al safety, and scalab­il­ity. 
 

Refractive Index Measurement for Monitoring of Dissolved Components

For­tu­nately for pro­cess man­agers, changes in the level of dis­solved com­pounds in a li­quid res­ult in changes in the re­fract­ive in­dex (RI) of that li­quid. Vais­ala’s in­line re­fracto­met­ers have ex­ploited this phe­nomen­on, provid­ing ac­cur­ate li­quid meas­ure­ments for many years in a wide range of in­dus­tries. These re­fracto­met­ers are fre­quently used for pro­cess mon­it­or­ing, but as a re­li­able tech­no­logy in even the most chal­len­ging con­di­tions, they can also be util­ised in wastewa­ter man­age­ment.

In-line RI meas­ure­ments al­low pro­cess man­agers to im­ple­ment real-time con­trol by mon­it­or­ing the pro­gress of pro­cesses such as evap­or­a­tion, dis­til­la­tion, fer­ment­a­tion, blend­ing, dry­ing, wet-mix­ing, in­ter­face de­tec­tion, di­lu­tion, ex­trac­tion, clean-in-place, wash­ing and more. In ad­di­tion, Vais­ala’s in­line re­fracto­met­ers are used to mon­it­or wastewa­ter, par­tic­u­larly where in­dus­tri­al pro­cess man­agers need im­me­di­ate no­ti­fic­a­tion when a spill or a leak af­fects the strength of wastewa­ter.

De­veloped for de­mand­ing en­vir­on­ments

Many in­dus­tri­al ap­plic­a­tions can be chal­len­ging for mon­it­or­ing tech­no­lo­gies - ag­gress­ive chem­ic­als, sticky sug­ars and syr­ups, ex­treme tem­per­at­ures, and cor­ros­ive acids, for ex­ample. Vais­ala’s Po­lar­is™ fam­ily of re­fracto­met­ers have been de­veloped to op­er­ate in these con­di­tions, meas­ur­ing con­cen­tra­tions of acids, al­kalis, al­co­hols, hy­dro­car­bons, solvents, and oth­er solu­tions dir­ectly in pipelines and tanks. 

Po­lar­is re­fracto­met­ers are de­livered fact­ory-cal­ib­rated, mak­ing them main­ten­ance-free and elim­in­at­ing the need for re­cal­ib­ra­tion over time. In con­trast with many oth­er li­quid con­cen­tra­tion meth­ods, Vais­ala’s re­fracto­met­ers are not af­fected by particles, bubbles, crys­tals or col­our, so these in­stru­ments can be em­ployed in a wide vari­ety of solu­tions for li­quid iden­ti­fic­a­tion and for mon­it­or­ing the con­cen­tra­tion of dis­solved com­pon­ents – a par­tic­u­larly im­port­ant fea­ture in wastewa­ter mon­it­or­ing.

Ap­plic­a­tion Wastewa­ter Man­age­ment:

Pro­du­cing 24 mil­lion cases of products an­nu­ally, a large man­u­fac­tur­ing co­oper­at­ive in the USA had a re­quire­ment to im­prove wastewa­ter treat­ment to lower the strength of fi­nal ef­flu­ent and re­duce the risk of ex­ceedances. 

One of the key factors af­fect­ing the per­form­ance of the treat­ment plant was vari­ab­il­ity in the sug­ar con­tent of the ef­flu­ent, which sub­stan­tially af­fected BOD (Bio­chem­ic­al oxy­gen de­mand) levels. A Vais­ala re­fracto­met­er was there­fore in­stalled in the ef­flu­ent line, pri­or to the treat­ment plant. This provided real-time data which de­livered a num­ber of be­ne­fits. 

Most im­port­antly, any spikes in sug­ar con­tent were de­tec­ted im­me­di­ately so that re­medi­al ac­tion could be taken. In ad­di­tion, data on the sug­ar spikes en­abled staff to dia­gnose the root cause, so that it could be pre­ven­ted in the fu­ture. As a con­sequence, the co­oper­at­ive has ex­per­i­enced a six-fig­ure cost avoid­ance at this fa­cil­ity alone. The co­oper­at­ive has also been able to avoid sur­charges, re­duce ma­ter­i­al loss and op­tim­ise its op­er­a­tion­al pro­ced­ures.
 

Native WirelessHART Non-Contacting Radar Level Transmitter

The Emer­son Rose­mount™ 3408 Wire­less Non-Con­tact­ing Radar Level Trans­mit­ter re­duces the com­plex­ity, time and costs as­so­ci­ated with in­stalling cabling in auto­mated meas­ure­ment points. By elim­in­at­ing meas­ure­ment blind spots and the need for manu­al read­ings, the trans­mit­ter en­hances plant safety, boosts op­er­a­tion­al ef­fi­ciency, and en­ables more re­li­able, con­tinu­ous level mon­it­or­ing in in­dus­tri­al en­vir­on­ments. Based on 80 GHz fre­quency mod­u­lated con­tinu­ous wave (FM­CW) tech­no­logy, the Rose­mount 3408 Wire­less re­li­ably meas­ures the level of li­quids and solids, even in re­mote loc­a­tions where ac­cess is chal­len­ging. This makes it suit­able for use in a broad range of in­dus­tries, in­clud­ing en­ergy, chem­ic­al, metals and min­ing, pulp and pa­per, con­struc­tion and mar­ine.

In align­ment with Emer­son’s Bound­less Auto­ma­tion vis­ion for seam­less data mo­bil­ity, real-time meas­ure­ment and dia­gnost­ic data is trans­mit­ted via the Wire­lessHART com­mu­nic­a­tion pro­tocol. The 3408 can also be eas­ily in­teg­rated in­to any host mon­it­or­ing and con­trol sys­tem com­pli­ant with the HART® pro­tocol and the Field Device In­teg­ra­tion® (FDI) stand­ard. This makes it easy for op­er­a­tions and main­ten­ance teams to ob­tain clear vis­ib­il­ity of data that may pre­vi­ously have been siloed, res­ult­ing in im­proved op­er­a­tion­al per­form­ance and in­vent­ory man­age­ment.

Soft­ware for en­hanced op­er­a­tion­al ef­fi­ciency and safety

The new trans­mit­ter fea­tures a dia­gnostics suite, provid­ing ac­tion­able in­sights in­to device and pro­cess health, lead­ing to long-term meas­ure­ment re­li­ab­il­ity, re­duced li­fe­cycle costs, and en­hanced op­er­a­tion­al ef­fi­ciency and safety. Emer­son’s pro­pri­et­ary dia­gnost­ic soft­ware, Smart Meter Veri­fic­a­tion, provides in-situ per­form­ance val­id­a­tion without in­ter­rupt­ing the pro­cess, while Sig­nal Qual­ity Met­rics de­liv­ers con­tinu­ous, real-time as­sess­ment of radar sig­nal qual­ity and early alerts of ab­nor­mal con­di­tions. In ad­di­tion, on-board data his­tor­i­an func­tion­al­ity en­hances op­er­a­tion­al in­sight, stream­lines troubleshoot­ing and sup­ports pro­act­ive main­ten­ance by con­tinu­ously re­cord­ing and stor­ing key meas­ure­ment and dia­gnost­ic data.

The 3408 has a mod­u­lar elec­tron­ics cas­sette that can be quickly re­moved or re­placed without dis­turb­ing the field wir­ing or pro­cess seal. The avail­ab­il­ity of dif­fer­ent seals and an­tenna types in­creases the range of ap­plic­a­tions for which the trans­mit­ter is suit­able. With two power mod­ules, or­gan­isa­tions can ad­just the up­date rate to suit their needs and ob­tain ex­ten­ded bat­tery life with a slower up­date rate.
 

Robust Ex-Rated Ceramic Pressure Sensor

SICK has un­veiled its new PTA ceram­ic pres­sure sensor, which is used for meas­ur­ing and con­trolling pres­sure. Thanks to the ceram­ic cell, the sensor fam­ily is es­pe­cially ro­bust against pres­sure spikes. Thanks to its high level of di­git­al in­teg­ra­tion, vari­ous pro­cess con­nec­tions, out­puts, meas­ure­ment ranges and ap­provals, it is suit­able for al­most every ap­plic­a­tion en­vir­on­ment. The PTA sensor fea­tures either a thin-film or ceram­ic mem­brane, en­closed with­in a fully wel­ded stain­less steel meas­ure­ment cell. This makes it highly res­ist­ant to ag­gress­ive me­dia, and it has EHEDG and 3A cer­ti­fic­a­tion for hy­gien­ic ap­plic­a­tions, as well as ATEX EX ap­prov­al.

PTA pres­sure sensors can be used for hy­dro­stat­ic meas­ure­ment dur­ing the filling of ves­sels and dos­ing pro­cesses. Front flush and hy­gien­ic pro­cess con­nec­tions make them ideal for use with sticky or highly vis­cous me­dia and bever­ages. The ceram­ic meas­ur­ing cell is es­pe­cially ro­bust against pres­sure spikes and ab­ras­ive me­dia. With the cap­ab­il­ity to handle pres­sure ranges between -1 and +1000 bar (ab­so­lute and re­l­at­ive), PTA sensors also of­fer high ac­cur­acy of ±0.3% and a pro­cess tem­per­at­ure range of -40 to +130 °C.

Easy setup and ex­cel­lent con­nectiv­ity

With a very high level of di­git­al in­teg­ra­tion (IO-Link/ Bluetooth), dif­fer­ent sig­nal op­tions (ana­logue and/or di­git­al switch­ing out­puts), and stand­ard elec­tric­al and pro­cess con­nec­tions, the PTA ceram­ic pres­sure sensor range is quick and simple to in­stall and set up. The op­tion­al Bluetooth con­nec­tion mod­ule al­lows via the SICK Smart As­sist­ant App easy con­fig­ur­a­tion, para­met­er changes and dia­gnost­ic func­tion­al­it­ies.

The plug-and-play PTA sensor is simple to in­stall and comes with threaded, front flush and hy­gien­ic pro­cess con­nec­tions to cov­er a wide range of ap­plic­a­tions. The clear, multi-col­our LED-status in­dic­at­or is vis­ible 360° at a dis­tance, while re­mote data and con­fig­ur­a­tion provide great­er mount­ing flex­ib­il­ity. A wide range of com­pat­ible ac­cessor­ies, in­clud­ing si­phon tubes for high tem­per­at­ures, com­ple­ments the PTA range. 
 

Humidity and Temperature Transmitter for Accelerated Processes and High Levels of Chemical Contamination

Devices of the JUMO hy­dro­TRANS series are de­pend­able hu­mid­ity and tem­per­at­ure trans­mit­ters with an op­tion­al CO2 mod­ule. The device series is avail­able with vari­ous in­ter­faces. Moreover, it is char­ac­ter­ized by easy in­stall­a­tion, ro­bust­ness, and re­li­able sensor tech­no­logy. 

The new hy­dro­TRANS H50 is a solu­tion even in areas with high levels of mois­ture or chem­ic­al con­tam­in­a­tion thanks to highly ac­cur­ate as well as stable tem­per­at­ure and hu­mid­ity meas­ure­ments. Its broad ap­plic­a­tion area of -80 to +180 °C and its abil­ity to meas­ure pres­sures of up to 300 bar not only al­lows it to handle a wide range of meas­ure­ment tasks, but also re­duces equip­ment costs due to an in­teg­rated data log­ger.

Meas­ure­ment for ef­fi­cient pro­cesses

The trans­mit­ter is able to cov­er a wide ap­plic­a­tion­al range that need a high de­gree of pro­cess re­li­ab­il­ity as the fol­low­ing ex­amples demon­strate:

Dry pro­cesses for grain can be mon­itored very closely and also ac­cel­er­ated, thanks to the JUMO hy­dro­TRANS H50 ro­bust­ness and pre­ci­sion des­pite the ex­tremely high tem­per­at­ures. 

PEM fuel cells are an­oth­er ap­plic­a­tion area. PEM stands for “Pro­ton Ex­change Mem­brane” or “Poly­mer Elec­tro­lyte Mem­brane”. 2 types of PEM fuel cells are be­ing de­veloped: low-tem­per­at­ure cells (up to about 90 °C) and high-tem­per­at­ure cells (up to about 180 °C). In the fuel cell, the JUMO hy­dro­TRANS H50 is used to meas­ure the hu­mid­ity in the sup­ply lines for hy­dro­gen and oxy­gen. This en­sures that the mem­brane is al­ways prop­erly moistened and, as a res­ult, the op­er­at­ing life and ef­fect­ive­ness of the fuel cell are max­im­ized. 
 

Flexible Gas- and Water Analyser

Ser­vomex has up­graded its SER­VOTOUGH Spec­traEx­act 2500F flex­ible gas and li­quid wa­ter ana­lys­er for haz­ard­ous areas. The in­nov­at­ive ana­lys­er is IEC Ex ap­proved and meets com­pli­ance re­quire­ments across Europe, the USA and Canada. It provides highly ac­cur­ate data while re­du­cing main­ten­ance needs and costs. Its di­git­al com­mu­nic­a­tion sys­tems en­sure seam­less in­teg­ra­tion. The Spec­traEx­act 2500F is de­signed to of­fer a flex­ible ana­lyt­ic­al solu­tion ad­apt­able to a range of ap­plic­a­tions and haz­ard­ous areas. The rugged build al­lows ana­lys­is of tox­ic, flam­mable or cor­ros­ive samples without dam­age to equip­ment or the en­vir­on­ment. Wall-mount­ing op­tions en­able flex­ible place­ment, even in the harshest of con­di­tions.

En­hanced ser­vice in­ter­vals and simple main­ten­ance

The ana­lys­er en­hances pro­cess con­trol by de­liv­er­ing high-pre­ci­sion meas­ure­ments, from ppm levels to per­cent­ages. This en­ables op­tim­iz­a­tion of pro­cesses im­prov­ing op­er­a­tion­al ef­fi­ciency and the safety of people and en­vir­on­ments. Users can ex­pect in­creased up­time and re­duced on­go­ing costs thanks to non-de­plet­ing, NDIR sens­ing tech­no­lo­gies that ex­tend cal­ib­ra­tion in­ter­vals. Ser­vi­cing is simple, with a re­mov­able sample cell that is sep­ar­ate from the elec­tron­ics, mak­ing sched­uled main­ten­ance quick and easy.

As the latest edi­tion to Ser­vomex’s Spec­traEx­act range, the 2500F of­fers a dir­ect up­grade for ex­ist­ing 2500 users. Di­git­al com­mu­nic­a­tion sys­tems en­sure smooth in­teg­ra­tion with ex­ist­ing setups, while en­hanced us­ab­il­ity provides rap­id re­sponse times and sim­pli­fies data ac­cess. Real-time data can be mon­itored re­motely, fur­ther im­prov­ing safety and ef­fi­ciency.
 

Beyond Sustainability

PCN Europe: Bürkert is deeply in­volved in the top­ic of the 're­gen­er­at­ive eco­nomy'. How did Bürkert come to fo­cus on this top­ic? Could you also briefly define the term for our read­ers?
Georg Sta­wowy:
Per­haps we should start with the back­ground. While de­vel­op­ing our new Bürkert strategy, we real­ised that we wanted to pri­or­it­ise sus­tain­ab­il­ity, so we con­sidered what needed to be done to achieve this. As part of the strategy, we then came to the con­clu­sion that we needed to for­mu­late a vis­ion.

We be­lieve it is im­port­ant for a com­pany to set it­self over­arch­ing goals – a North Star that provides en­dur­ing dir­ec­tion. However, the more we re­searched sus­tain­ab­il­ity, the more we real­ised that sus­tain­ab­il­ity goals alone are in­suf­fi­cient. Fo­cus­ing purely on sus­tain­ab­il­ity activ­it­ies means do­ing less harm than with the pre­vi­ous, con­ven­tion­al ap­proach, but the clock is still tick­ing. 

At some point, we came across the concept of re­gen­er­at­ive eco­nom­ics. As we ex­plored it fur­ther, we real­ised that re­gen­er­at­ive eco­nom­ics is about chan­ging the rules of the game. It's about re­ward­ing dif­fer­ent things and hav­ing a vis­ion of how re­sources can be re­stored.

And if I had to define it, I would say that yes, a re­gen­er­at­ive eco­nomy is the vis­ion of con­sid­er­ing, in everything I do, wheth­er I can re­new the re­sources I need. In simple terms, can I give back more than I take in or­der to im­prove the over­all situ­ation? At first glance, this sounds like a con­tra­dic­tion, es­pe­cially for a private com­pany. And of course, it is a ma­jor chal­lenge when you start to think dif­fer­ently and say that it's not just about Scope 1 and 2 in terms of car­bon foot­print and photo­vol­ta­ics. It's about how we can truly re­gen­er­ate. What are re­sources any­way? Are we only talk­ing about plastic and steel, or what oth­er re­sources are there? And then I come to the top­ic of, well, em­ploy­ees are also re­sources, and I have to think about re­gen­er­a­tion there too. 

That's where we are right now, think­ing about what that means in con­crete terms in terms of im­ple­ment­a­tion.

PCN Europe: That sounds un­usu­al for a private com­pany at first. But what does it mean for Bürkert? What meas­ures need to be taken to move the com­pany in this dir­ec­tion, but also to get its cus­tom­ers on board?
Georg Sta­wowy:
Well, in my present­a­tion, I showed the dif­fer­ent levels at which ac­tion can and must be taken. The first key is­sue is re­spons­ible own­er­ship: what do we do with the profits? This has already been reg­u­lated at Bürkert through the ex­ist­ing found­a­tion struc­ture, which is non-profit. And, of course, there is also the area of em­ploy­ees. What can I do for them to make them feel se­cure and ap­pre­ci­ated in the com­pany dur­ing dif­fi­cult eco­nom­ic times? But, of course, the area of cus­tom­ers is cent­ral: what ser­vices do I of­fer and how must the com­pany be po­si­tioned for this?

The first thing we did was to define four key areas from all the ap­plic­a­tions and cus­tom­er groups we serve. Of course, we want to con­tin­ue serving the oth­er areas and also gain new ones, no ques­tion about it. These four fo­cus areas are pharma and bi­otech, food and bever­age, lab and ana­lyt­ic­al, and en­ergy. What do they have in com­mon? Put simply, they can con­trib­ute to cre­at­ing a bet­ter world. Im­prove­ments in these areas can have an enorm­ous lever­age ef­fect. We are also align­ing the or­gan­isa­tion of the com­pany with these four sec­tors. The na­tion­al sub­si­di­ar­ies have or­gan­ised their sales de­part­ments ac­cord­ingly, with in­tern­al and ex­tern­al sales forces. Be­hind this, we have busi­ness de­vel­op­ment, struc­tured pre­cisely ac­cord­ing to the ap­plic­a­tion and product man­agers, and be­hind that, de­vel­op­ment. It should be clearly re­cog­nis­able every­where what we stand for and what we of­fer.

If we can sup­port our cus­tom­ers in im­prov­ing their pro­cesses, for ex­ample in re­du­cing CO2 emis­sions, we can achieve much more to­geth­er than if our de­velopers only im­prove our products, which of course they also do.

PCN Europe: Will this also have a pos­it­ive fin­an­cial im­pact?
Georg Sta­wowy:
At present, per­haps one per cent of cus­tom­ers set this as a hard cri­terion. These are com­pan­ies that say they will not buy from a sup­pli­er that does not in­vest in sus­tain­ab­il­ity. However, for many buy­ers, sus­tain­ab­il­ity does play a role, even if it is not defined as a hard cri­terion. And the num­ber is sure to rise in both areas. It is a stra­tegic risk for the mo­ment, of course, but it will cer­tainly pay off in the long term. Re­gen­er­at­ive man­age­ment is be­com­ing part of our ex­ist­ing qual­ity prom­ise, be­cause selling solely on the basis of the cheapest price is not an op­tion for us.

The ba­sic pre­requis­ite is that I can demon­strate a pos­it­ive ef­fect and im­prove ef­fi­ciency for the cus­tom­er with my products; the rest comes on top of that. It is cer­tain that the share of ma­ter­i­al costs in the bill of ma­ter­i­als will in­crease. There­fore, it is sens­ible to ad­dress re­source costs and ef­fi­ciency as soon as pos­sible.

PCN Europe: In the four areas men­tioned, which ap­plic­a­tions does Bürkert spe­cial­ise in? Through products or ser­vices?
Georg Sta­wowy:
Ba­sic­ally, a sig­ni­fic­ant part of our busi­ness in­volves simply selling com­pon­ents, in­clud­ing in the afore­men­tioned areas. Bürkert products can be found in a wide vari­ety of ap­plic­a­tions in the phar­ma­ceut­ic­al sec­tor. However, we ex­cel in cer­tain ap­plic­a­tions, such as fer­menters in the phar­ma­ceut­ic­al and bi­otech sec­tors, as well as in the pro­duc­tion of new foods, to men­tion just two ex­amples. The same ap­plies to mi­cro­dos­ing, labor­at­ory equip­ment, in vitro dia­gnostics, and work­ing with small sample quant­it­ies. Our ex­per­i­ence en­ables us to solve prob­lems quickly. An­oth­er of our strengths when it comes to food and bever­ages is de­cent­ral­ised auto­ma­tion. This is not a com­pon­ent, of course. However, this con­trol area for mix­ing pro­cesses – a clas­sic ex­ample of which is the pro­duc­tion of fruit yoghurt with vari­ous fruit pre­par­a­tions – is also im­port­ant.

PCN Europe: What ef­fect do you think the changes that have now been ini­ti­ated will have on Bürkert's busi­ness mod­el?
Georg Sta­wowy:
Yes, it will cer­tainly change the way we work with our part­ners if you think it through to its lo­gic­al con­clu­sion. We are mov­ing away from a con­ven­tion­al busi­ness mod­el and to­wards a cir­cu­lar and re­gen­er­at­ive eco­nomy. If you go down that route, it will im­pact the busi­ness mod­el. However, it also re­quires cus­tom­ers who are in­ter­ested in de­vel­op­ing and try­ing out new mod­els. This starts with re­cyc­ling, but also ex­tends to over­haul­ing parts for pos­sible re­use. It also in­volves leas­ing or sub­scrip­tion mod­els, right through to pay-per-use. This re­quires a great deal of flex­ib­il­ity.

For ex­ample, we could build sys­tems for end cus­tom­er or­ders and co-fin­ance them through our products to en­able us to scale up more quickly. But then a way to share the suc­cess must be found. As an ex­ample: If the sys­tem is in­stalled at an end cus­tom­er's site and the man­u­fac­turer re­ceives a cer­tain amount per litre of solvent, then a clearly defined share will also go to Bürkert. These are all things that are just get­ting star­ted, but if you think re­gen­er­at­ive man­age­ment through to its lo­gic­al con­clu­sion, it's clear that com­pletely dif­fer­ent re­ward mod­els are needed.

The fi­nal top­ic is our in­ten­tion to pri­or­it­ise ser­vice. This makes sense from an eco­nom­ic per­spect­ive. However, when dis­cuss­ing field ser­vice, it is im­port­ant to cla­ri­fy what is meant by this. For in­stance, we may re­ceive an or­der from the bever­age in­dustry for plant main­ten­ance. 

This would mean car­ry­ing out main­ten­ance on our own products and those of our com­pet­it­ors. This means that I also need to know the part num­bers of the com­pet­it­or’s spare parts. The tech­ni­cian must also have these avail­able on site, such as valve parts, seals and dia­phragms. A whole net­work of in­form­a­tion and ex­pert­ise needs to be built up, in­clud­ing or­der­ing pro­cesses and item num­bers. This is no trivi­al mat­ter; it is com­par­able to the dif­fer­ence between au­thor­ised and in­de­pend­ent car gar­ages today – you need a broad­er know­ledge base. 
We have a lot of work ahead of us, but we are com­mit­ted to this path, and it will change busi­ness mod­els.

PCN Europe: Thank you very much for these in­sights. We look for­ward to fol­low­ing the de­vel­op­ments.

Ethernet Gateway for Zone 1

TURCK presents a new solu­tion for Eth­er­net com­mu­nic­a­tion in haz­ard­ous areas. The GEN-2G mul­ti­pro­tocol gate­way en­ables a con­tinu­ous, in­trins­ic­ally safe, cop­per-based Eth­er­net in­fra­struc­ture in ATEX Zone 1 for the first time. The new solu­tion ex­pands the ex­ist­ing ex­com sys­tem with the GEN-3G Zone 2 gate­way, now al­low­ing easy con­ver­sion from Profib­us DP to Eth­er­net com­mu­nic­a­tion in Zone 1 as well – without re­pla­cing the I/O and sensor level.

Hot swap­ping op­tion

Com­mu­nic­a­tion between non-haz­ard­ous and haz­ard­ous areas is car­ried out us­ing fiber op­tic cables with TURCK's FOCEN11Ex-2G and FOCEN11-3G me­dia con­vert­ers – over dis­tances of up to 2,500 m. From this point, sev­er­al ex­com sta­tions can be in­teg­rated in­trins­ic­ally safely via cop­per cables in Zone 1. This elim­in­ates the pre­vi­ously com­mon, costly point-to-point in­stall­a­tion of each sta­tion via fiber op­tic cable. The GEN-2G mul­ti­pro­tocol gate­way even al­lows hot swap­ping dur­ing op­er­a­tion without the need for a fire ex­tin­guish­er. With the GEN-2G, ex­ist­ing ex­com in­stall­a­tions can also be quickly and cost-ef­fect­ively con­ver­ted to Eth­er­net com­mu­nic­a­tion and made fu­ture-proof. 

In­ter­na­tion­al ap­provals such as ATEX, IECEx, CCC, and oth­ers, as well as mari­time ap­provals (DNV, BV, LR, ABS, KR) ex­pand the sys­tem's range of ap­plic­a­tions. The solu­tion en­ables easy con­nec­tion of sensors and ac­tu­at­ors as well as the in­teg­ra­tion of HART data for dia­gnostics and II­oT ap­plic­a­tions. Since the en­tire ex­com fam­ily has sys­tem ap­prov­al for haz­ard­ous areas, ex­ten­sions do not need to be re-ap­proved; this can be done by the user.
 

The Standardized Future of Process Heating

The PLCnext Tech­no­logy eco­sys­tem from Phoenix Con­tact now sat­is­fies glob­ally ap­plic­able stand­ards such as DIN EN ISO 13577-2/4 and NFPA 85, 86, 87 for in­dus­tri­al pro­cess heat­ing. With this de­vel­op­ment, the com­pany is po­s­i­tion­ing it­self in both the European and North Amer­ic­an mar­kets as a pro­vider of func­tion­al and data se­cur­ity auto­ma­tion solu­tions for fur­naces and in­cin­er­at­ors. The aim is to re­duce emis­sions and in­crease se­cur­ity through the II­oT, in­tel­li­gent com­bus­tion pro­cesses, and open in­ter­faces.The ex­ten­ded PLCnext plat­form com­bines the con­trol­ler at the ma­chine level with the re­quire­ments of com­bus­tion pro­cesses. It helps man­u­fac­tur­ers to meet the high re­quire­ments on se­cur­ity, re­li­ab­il­ity, and per­form­ance with an open and stand­ard­ized solu­tion

“The field of in­dus­tri­al pro­cess heat­ing is de­vel­op­ing rap­idly. Our cus­tom­ers need scal­able, in­tel­li­gent, and cer­ti­fied solu­tions. With PLCnext Tech­no­logy, we are provid­ing a fu­ture-ori­ented eco­sys­tem that com­bines se­cur­ity, con­nectiv­ity, and ad­vanced ana­lyt­ics in a mod­u­lar plat­form”, says Markus Kick, In­ter­na­tion­al Busi­ness De­vel­op­ment Ther­mo­pro­cessing and Di­git­al­iz­a­tion at Phoenix Con­tact.

Func­tion­ally safe with in­teg­rated ma­chine learn­ing

The com­pany’s ther­mo­pro­cessing solu­tion in­cludes all the ne­ces­sary com­pon­ents. EMpro devices take on the role of en­ergy mon­it­or­ing and provide in­sights in­to real-time con­sump­tion. A high level of sys­tem avail­ab­il­ity is achieved through the use of cer­ti­fied voltage mon­it­or­ing, un­in­ter­rupt­ible power sup­ply (UPS), and mod­u­lar fuse dis­tri­bu­tion sys­tems. SPE and APL switches as well as sol­id-state re­lays are used for se­cure data trans­port. Ma­chine learn­ing is also in­teg­rated: The ML­next soft­ware solu­tion takes over the pre­dict­ive con­trol and op­tim­iz­a­tion of pro­cesses. The Vir­tu­al PLCnext Con­trol vir­tu­al­ized con­trol sys­tem en­sures flex­ible use. State-of-the-art PID con­trol­lers are used to re­place elec­tromech­an­ic­al com­pon­ents such as leak test­ers and tem­per­at­ure mon­it­or­ing devices. Phoenix Con­tact also provides end-to-end func­tion­al safety for ma­chine and pro­cess ap­plic­a­tions, in­clud­ing safe sig­nal coup­ling and isol­a­tion, safety re­lays for Ex/ATEX en­vir­on­ments, and sup­port for ex­tern­al emer­gency stop devices. To main­tain ro­bust con­nectiv­ity in zones with high tem­per­at­ures and vi­bra­tion levels, Heavy­con high-per­form­ance con­nect­ors from Phoenix Con­tact are used to en­sure IP69K pro­tec­tion, EMC shield­ing, and mod­u­lar con­tact in­serts for power, sig­nal, and data trans­mis­sions in a single in­ter­face. The con­nect­ors are de­signed for max­im­um dur­ab­il­ity and are there­fore in­dis­pens­able for com­bus­tion sys­tems, boil­er con­trol­lers, and pro­cess-crit­ic­al en­vir­on­ments.
 

Enhanced Connector To Simplify Direct PLC-to-Database Integration

Soft­ing In­dus­tri­al an­nounces fea­ture en­hance­ments to its tMan­ager product line, en­abling seam­less, bi-dir­ec­tion­al com­mu­nic­a­tion between Siemens PLCs and SQL data­bases. The latest up­date in­tro­duces sym­bol brows­ing cap­ab­il­it­ies for Siemens S7-1200 and S7-1500 con­trol­lers, sig­ni­fic­antly re­du­cing in­teg­ra­tion time and elim­in­at­ing the need for manu­al tag cre­ation. The en­hanced Siemens con­nect­or builds on Soft­ing's proven tMan­ager in-chassis con­nectiv­ity plat­form and ex­pands tMan­ager Con­trol­Lo­gix and tMan­ager IPC (In­dus­tri­al PC) to sup­port Siemens con­trol­lers in ad­di­tion to Rock­well and Mod­bus PLCs. Users can now browse PLC sym­bols and SQL data­base fields dir­ectly, set up trig­gers and de­ploy in­dus­tri­al ap­plic­a­tions such as track and trace, qual­ity mon­it­or­ing, KPI dash­boards and re­cipe down­loads.

Sym­bol brows­ing speeds up project real­iz­a­tion

Pre­vi­ously, Siemens in­teg­ra­tion re­quired time-con­sum­ing, manu­al sym­bol setup. With this new func­tion­al­ity, brows­ing and map­ping sym­bols from Siemens S7 1200 and 1500 con­trol­lers is now just as stream­lined as it is with Rock­well PLCs. The up­date also main­tains sup­port for leg­acy sym­bol cre­ation with Siemens S7 300, 400, 1200 and 1500 con­trol­lers, en­sur­ing full back­ward com­pat­ib­il­ity for ex­ist­ing in­stall­a­tions.

As man­u­fac­tur­ers face in­creas­ing pres­sure to im­prove trace­ab­il­ity, re­duce er­rors and gain real-time in­sights from plant-floor data, leg­acy ap­proaches like clip­board log­ging or cus­tom-coded solu­tions of­ten fall short. tMan­ager ad­dresses these chal­lenges with a no-code, off-the-shelf solu­tion that’s easy to de­ploy and main­tain. 

With ro­bust in-chassis and IPC-based ar­chi­tec­ture, built-in fault tol­er­ance, store-and-for­ward cap­ab­il­it­ies and scal­able in­teg­ra­tion with mul­tiple PLCs and data­bases, the solu­tion of­fers a re­li­able and sup­port­able path to di­git­al trans­form­a­tion. It en­ables rap­id im­ple­ment­a­tion of high-value in­dus­tri­al use cases in­clud­ing KPI mon­it­or­ing, high-speed sort­ing, re­cipe man­age­ment and MES in­teg­ra­tion — without the com­plex­ity of OPC pro­tocol trans­la­tion or PC-based mid­dle­ware.

Customized Transport Solution for the Beverage Industry

With the first ex­pan­sion stage of the trans­port sys­tem, a fleet of cus­tom-built vehicles from the CUS­TOM MOVE series went in­to op­er­a­tion. Equipped with two roller con­vey­ors, the vehicles each trans­port two Euro pal­lets weigh­ing up to one ton and sup­ply the filling lines with empty pal­lets in three shifts. They also trans­port the fin­ished goods to the pal­let wrap­per and on to the stor­age areas. A char­ac­ter­ist­ic fea­ture of the solu­tion is the con­tact­less en­ergy trans­fer in the floor, which also serves as in­duct­ive track guid­ance – bat­tery op­er­a­tion is there­fore not ne­ces­sary. In 2019, the sys­tem was ex­pan­ded to in­clude ad­di­tion­al CUS­TOM MOVE vehicles. This ex­pan­sion also en­abled the trans­port of in­dus­tri­al pal­lets (1,200 x 1,000 mm) and the auto­mated con­nec­tion of the high-bay and cold stor­age ware­houses. 

The next ex­pan­sion stage fol­lowed in 2024: new vehicles open up ad­di­tion­al filling lines and stor­age areas. The plan­ning was based on de­tailed ma­ter­i­al flow sim­u­la­tions, which were used to de­term­ine the op­tim­al num­ber of vehicles and fu­ture trans­port volumes. "The sim­u­la­tions provide us with re­li­able key fig­ures to en­sure the per­form­ance of the over­all sys­tem even as re­quire­ments in­crease," ex­plains Clem­ens Woll­mann, sales en­gin­eer at ek ro­bot­ics. All vehicles are cus­tom-built, de­signed for high trans­port per­form­ance, short filling in­ter­vals, and the spe­cif­ic en­vir­on­ment­al con­di­tions of bever­age pro­duc­tion.

Cus­tom­ized trans­port solu­tions for the bever­age in­dustry

In the in­ter­na­tion­al bever­age in­dustry, ek ro­bot­ics primar­ily uses spe­cially man­u­fac­tured cus­tom vehicles in ad­di­tion to series vehicles for projects, in­clud­ing for Arla Foods, Ge­r­ol­stein­er, and Roy­al Swinkels Fam­ily Brew­ers (Bav­aria). To­geth­er, the sys­tems en­sure re­li­able ma­ter­i­al flows and trans­port more than one bil­lion liters of beer, juice, and milk an­nu­ally.
 

Digitalization Through Integration of Augmented Reality at Device Level

The di­git­al­iz­a­tion of pro­cesses in haz­ard­ous areas places high de­mands on ex­plo­sion pro­tec­tion. All in­fra­struc­ture com­pon­ents used in these areas must be in­trins­ic­ally safe or ex­plo­sion-proof and cer­ti­fied. The Pep­perl+Fuchs Group, a pi­on­eer in the field of mo­bile devices for haz­ard­ous areas, meets these re­quire­ments with a com­pre­hens­ive port­fo­lio of cer­ti­fied solu­tions, from smart­phones, tab­lets, and HMI sys­tems to in­trins­ic­ally safe bar­ri­ers and re­mote I/O sys­tems to Eth­er­net APL tech­no­logy and sensor tech­no­logy in haz­ard­ous areas.

Aug­men­ted real­ity for more ef­fi­cient work­flows

Aug­men­ted real­ity (AR) of­fers enorm­ous po­ten­tial at device level for di­git­al­iz­ing pro­cesses. With the help of this tech­no­logy, in­form­a­tion can be brought dir­ectly in­to the field of vis­ion and dis­play of em­ploy­ees in real time and presen­ted in a spa­tially and con­text-sens­it­ive man­ner. For ex­ample, mark­ings on cables or flanges or pro­cess val­ues can be dis­played dir­ectly next to the cor­res­pond­ing valves.

AR there­fore of­fers par­tic­u­larly great po­ten­tial for com­plex tasks such as shut­down work, com­mis­sion­ing, or fault dia­gnos­is in areas that are dif­fi­cult to ac­cess. The tech­no­logy is also ideal for train­ing and qual­i­fy­ing new em­ploy­ees, for ex­ample in prac­tic­al on-the-job train­ing with AR-sup­por­ted in­struc­tions or via re­mote sup­port. In ad­di­tion, AR over­lays can be linked to di­git­al twins of as­sets to sim­u­late scen­ari­os. This in­teg­ra­tion sig­ni­fic­antly im­proves the basis for de­cision-mak­ing, in­creases ef­fi­ciency, and en­sures safe plant op­er­a­tion.

5G as the basis for AR

The 5G mo­bile com­mu­nic­a­tion stand­ard ideally com­ple­ments aug­men­ted real­ity tech­no­logy. In ad­di­tion to the ne­ces­sary band­width, 5G also provides the low latency re­quired to trans­mit AR con­tent in real time and in­teg­rate it seam­lessly. On site, tech­ni­cians re­ceive con­text-sens­it­ive in­struc­tions, over­lay mark­ings on com­pon­ents, and live data such as sensor val­ues or his­tor­ies dir­ectly in their field of vis­ion. At the same time, they can re­quest sup­port or in­struc­tions from re­mote ex­perts at any time, who can be eas­ily con­nec­ted.

This shifts main­ten­ance pro­cesses more to­ward just-in-time as­sist­ance, re­du­cing er­rors and in­creas­ing first-time fix rates. Plan­ning is shift­ing or­gan­iz­a­tion­ally to­ward data- and event-driv­en work­flows, for ex­ample, when pre­dict­ive main­ten­ance alerts auto­mat­ic­ally trig­ger AR check­lists. An in­teg­rat­ive ap­proach is cru­cial here. AR and 5G are not isol­ated solu­tions. They must be seam­lessly con­nec­ted to CMMS/ERP sys­tems, as­set di­git­al twins, and role and rights mod­els.

IT se­cur­ity in prac­tice

The high de­mands placed on IT se­cur­ity re­quire that it be con­sidered from the out­set in all di­git­al­iz­a­tion ini­ti­at­ives. Today, this can be eas­ily re­con­ciled with in­tu­it­ive and ef­fi­cient op­er­a­tion, for ex­ample, us­ing mod­ern, ex­plo­sion-proof smart­phones and tab­lets from Pep­perl+Fuchs. These devices fea­ture in­teg­rated bio­met­ric au­then­tic­a­tion meth­ods, such as fin­ger­print sensors or fa­cial re­cog­ni­tion, which en­sure fast, user-friendly, and highly se­cure ac­cess.

This elim­in­ates the need for time-con­sum­ing entry of com­plex pass­words in every­day in­dus­tri­al use, without com­prom­ising se­cur­ity. Bio­met­ric iden­ti­fic­a­tion en­sures that only au­thor­ized per­sons have ac­cess to sens­it­ive data, con­trol func­tions, com­pany net­works, or ap­plic­a­tions. To­geth­er with en­cryp­ted com­mu­nic­a­tion and role-based ac­cess con­cepts, this cre­ates a solu­tion that not only suc­cess­fully bridges the gap between max­im­um user-friend­li­ness and max­im­um se­cur­ity but also en­sures in­dus­tri­al pro­cesses are run­ning smoothly.

Cus­tom­ers also be­ne­fit from the fact that Pep­perl+Fuchs mo­bile devices are part of the An­droid En­ter­prise Re­com­men­ded (AER) pro­gram. This guar­an­tees con­sist­ent, easy de­ploy­ment and man­age­ment of mo­bile solu­tions through hard­ware and op­er­at­ing sys­tem sup­port, as well as guar­an­teed se­cur­ity and op­er­at­ing sys­tem up­dates. The Sam­sung Knox mo­bile se­cur­ity solu­tion also en­sures a high level of device and data se­cur­ity for com­pan­ies.

Con­nec­ted work­ers—highly net­worked in­to the fu­ture

In­trins­ic­ally safe tab­lets and smart­phones already serve as di­git­al and net­worked hubs for con­nec­ted work­ers. They en­able au­then­tic­a­tion, col­lect sensor data, and bundle a wide vari­ety of com­mu­nic­a­tion chan­nels. They also al­low for the seam­less in­teg­ra­tion of mo­bile scan­ners, IoT gate­ways, or com­mu­nic­a­tion peri­pher­als such as head­sets. This makes them a cent­ral com­pon­ent for safe, ef­fi­cient, and net­worked work pro­cesses in haz­ard­ous areas.

In the fu­ture, plat­forms for “di­git­al shift op­er­a­tion” will emerge that di­git­ally map han­dover pro­to­cols, know-how trans­fers, shift han­dovers, and shift KPIs, thus en­abling com­pre­hens­ive shift di­git­al­iz­a­tion. Step by step, the con­nec­ted work­er is evolving in­to a highly net­worked, smart-sup­por­ted em­ploy­ee who can ac­cess and re­spond to all rel­ev­ant in­form­a­tion, ana­lys­is tools, and ex­pert know­ledge se­curely and con­text-sens­it­ively in real time at any time.

“As a pi­on­eer, Pep­perl+Fuchs is con­tinu­ously work­ing on de­vel­op­ing in­tu­it­ive solu­tions to op­tim­ally con­nect people in in­dus­tri­al en­vir­on­ments, sim­pli­fy work pro­cesses, and sus­tain­ably in­crease ef­fi­ciency,” says Chris­toph­er Limbrun­ner, Team Lead Product Man­age­ment of the En­ter­prise Mo­bil­ity di­vi­sion at Pep­perl+Fuchs. “In ad­di­tion to provid­ing the right hard­ware, we also sup­port our cus­tom­ers in the hol­ist­ic plan­ning and im­ple­ment­a­tion of the ne­ces­sary in­fra­struc­ture. They be­ne­fit from our many years of ex­pert­ise and a glob­al sup­port and ser­vice net­work. This en­sures that ap­plic­a­tions are not only com­pli­ant and re­li­able, but also ef­fi­cient and fu­ture ori­ented.”

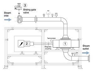
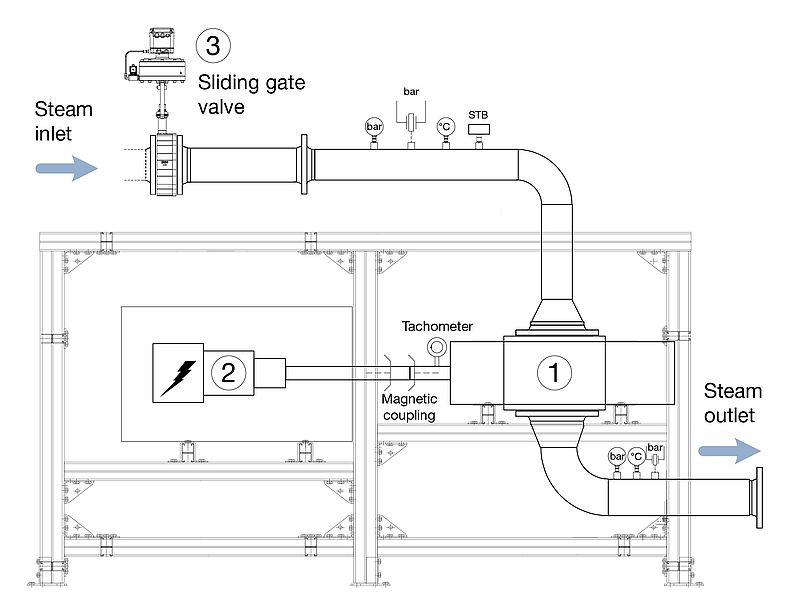
Sliding Gate Valves Help to Reduce Operating Costs and CO₂ Emissions

"At the start we al­ways have to do some con­vin­cing", says Sel­cuk Aslan, En­er­gi­fy Project Man­ager at CFT. "Our sys­tem is highly de­veloped, but the idea and the ba­sic design are ac­tu­ally very simple. For that reas­on people are some­times scep­tic­al. However, once they have seen and un­der­stood En­er­gi­fy, they are quickly con­vinced by the ro­bust­ness and re­li­ab­il­ity of the tech­no­logy – and that 'simple' is there­fore also a great ad­vant­age."

With En­er­gi­fy, CFT of­fers a solu­tion to chal­lenges that al­most all in­dus­tri­al com­pan­ies are fa­cing: the re­duc­tion of CO₂ emis­sions and the im­prove­ment of en­ergy- and cost-ef­fi­ciency. The in­nov­at­ive sys­tem util­ises even slight pres­sure dif­fer­ences to gen­er­ate power and feed it in­to the fact­ory's own grid. Such pres­sure dif­fer­ences ex­ist in al­most all in­dus­tri­al plants. They oc­cur in pres­sure re­duc­tion sta­tions and ex­haust steam pipes as well as in con­dens­a­tion and back pres­sure sys­tems – and in most cases the en­ergy stored in the flu­ids goes to waste.

Op­tim­al util­isa­tion of the already used en­ergy

"En­er­gi­fy op­tim­ises the use of the already ex­ist­ing en­ergy", ex­plains Max­imili­an Igelbüscher, project en­gin­eer at CFT. "In or­der to guar­an­tee an un­in­ter­rup­ted pro­cess, our sys­tem is al­ways op­er­ated in the by­pass. The ba­sic design is as fol­lows: Steam, or a gas of any kind, is ex­pan­ded to a low pres­sure level in a rotary pis­ton ex­pander. This gen­er­ates mech­an­ic­al en­ergy. This en­ergy is trans­mit­ted via a shaft to an asyn­chron­ous gen­er­at­or, which then in­puts the elec­tri­city in­to the low voltage grid."

Ini­tially, it was dif­fi­cult to pre­cisely con­trol the ex­pander per­form­ance. The globe con­trol valve ori­gin­ally used re­acted too slowly to chan­ging pro­cess re­quire­ments and could not re­li­ably provide the gaseous me­di­um with the de­sired out­put pres­sure. "We spent a lot of time look­ing for a solu­tion to op­tim­ise our sys­tem in this re­spect. Ul­ti­mately, we made con­tact with Mar­cel Mokosch from Tech­nic­al Sales at Schubert & Salzer. He vis­ited us im­me­di­ately to dis­cuss the top­ic and pro­posed a solu­tion with the slid­ing gate valve, which not only met our ex­pect­a­tions, but even ex­ceeded them", says Igelbüscher.

Sig­ni­fic­ant im­prove­ment through the use of the slid­ing gate valve

The reas­on for the ex­cel­lent con­trol per­form­ance is the fun­da­ment­al design prin­ciple of Schubert & Salzer’s slid­ing gate valve, which is based on two seal­ing discs that slide over each oth­er. As a res­ult, the max­im­um stroke between open and closed is a mere 6-9 mm and only very low ac­tu­ation forces are re­quired. This makes con­trol ex­tremely pre­cise and agile. "The con­trol ac­cur­acy has im­proved con­sid­er­ably through the use of the slid­ing gate valve. We can now con­trol the out­put pres­sure with ab­so­lute pre­ci­sion", says Aslan.

A fur­ther ad­vant­age: The use of the slid­ing gate valve al­lowed two oth­er valves to be re­placed. For reas­ons of safety, it must be pos­sible to stop the sup­ply of steam or gas with­in a max­im­um of two seconds. For that reas­on a quick-clos­ing valve was pre­vi­ously in­stalled up­stream of the con­trol valve. However, slid­ing gate valves close with­in mil­li­seconds and also per­form this func­tion. "Re­li­ab­il­ity and low main­ten­ance costs play a de­cis­ive role in the cost-ef­fect­ive op­er­a­tion of a sys­tem like En­er­gi­fy. That's why we rely on a simple design and a ro­bust con­struc­tion", ex­plains Aslan. "The slid­ing gate valve helps us by re­du­cing the com­plex­ity of the sys­tem – and with a very com­pact design, too."

The dif­fer­ence to the pre­vi­ous tech­no­logy is clear: the DN80 Schubert & Salzer slid­ing gate valve now used weighs a mere 15 kg, where­as the two globe valves pre­vi­ously used weighed to­geth­er around 170 kg. "That's an enorm­ous ad­vant­age, es­pe­cially for the an­nu­ally ne­ces­sary main­ten­ance work", Igelbüscher adds.

More eco­nom­ic­al than photo­vol­ta­ics

The En­er­gi­fy demon­stra­tion sys­tem is loc­ated in a dairy in Münsterland, where it is used on the 8-bar steam mains. The cost-ef­fect­ive­ness of the sys­tem can be il­lus­trated well here: With an in­put pres­sure of 8 bar (g), an out­put pres­sure of 5 bar (g) and a steam quant­ity of 2 t/h on av­er­age, an elec­tric­al out­put of 27 kW is achieved. With an an­nu­al run­ning time of 6,500 hours, that would pro­duce 175 MWh of power per year. The amort­isa­tion time is less than three years un­der these con­di­tions. In­clud­ing main­ten­ance costs, over 270,000 Euros could be saved over an op­er­at­ing peri­od of ten years. 

CFT com­pares En­er­gi­fy with photo­vol­ta­ics in a fur­ther cal­cu­la­tion ex­ample: An En­er­gi­fy sys­tem with an out­put of 300 kW that achieves 8,500 op­er­at­ing hours per year would ac­cord­ingly gen­er­ate around 2,550 MWh an­nu­ally – on an area of just 40 m². In or­der to gen­er­ate the same amount of en­ergy with photo­vol­ta­ics, with an an­nu­al util­isa­tion time of about 1,000 hours (av­er­age in Ger­many), an area of around 13,500 m² would be ne­ces­sary.

"The tech­no­logy has enorm­ous po­ten­tial. Thou­sands of steam gen­er­at­ors are in use in Ger­many alone. And steam – in whatever form – is only one of the me­dia from which we can pro­duce en­ergy. In prin­ciple, En­er­gi­fy can be used with vir­tu­ally every gas, for in­stance ni­tro­gen, coke oven gas, nat­ur­al gas or hy­dro­gen", Sel­cuk Aslan con­cludes.
 

Precise Metering Technology for Clean Water

The de­mands placed on wa­ter treat­ment are in­creas­ing – in cit­ies, mu­ni­cip­al­it­ies and in­dustry. To provide clean wa­ter on a per­man­ent basis, pre­cise meter­ing, re­li­able tech­no­logy and di­git­al in­teg­ra­tion are re­quired. With the mag­net­ic dia­phragm meter­ing pumps gamma/X and the mo­tor-driv­en dia­phragm meter­ing pumps sigma, ProM­in­ent of­fers two sys­tems that have proven them­selves world­wide. Around 1.6 mil­lion ProM­in­ent pumps are in con­tinu­ous use world­wide – in mu­ni­cip­al fa­cil­it­ies as well as in in­dus­tri­al pro­cesses.

"Clean wa­ter is one of the most valu­able re­sources of our time. Our tech­no­logy helps to se­cure this re­source world­wide – through pre­ci­sion, di­git­al net­work­ing and solu­tions that are already shap­ing the fu­ture of wa­ter treat­ment today," says An­dreas Zühlcke, Vice Pres­id­ent Product Man­age­ment & Mar­ket­ing at ProM­in­ent.

Pre­cise meter­ing, di­git­al con­trol

The gamma/ X meters dis­in­fect­ants such as so­di­um hy­po­chlor­ite or pH cor­rec­tion agents ac­cur­ately and con­sist­ently. Its di­git­al con­trol auto­mat­ic­ally ad­justs the meter­ing quant­ity to the re­spect­ive flow rate. In­teg­rated pres­sure and air de­tec­tion sup­ports stable op­er­a­tion. The pump can be in­teg­rated in­to ex­ist­ing sys­tems and mon­itored cent­rally via in­ter­faces such as Profib­us, Profinet or Mod­bus.

The sigma is used where high flow rates and ro­bust con­struc­tion are re­quired – for ex­ample, when adding floc­cu­lants, biocides or pH cor­rec­tion agents. Chem­ic­al-res­ist­ant ma­ter­i­als and the pat­en­ted multi-lay­er safety dia­phragm en­able re­li­able and low-main­ten­ance op­er­a­tion. This makes the sigma par­tic­u­larly suit­able for de­mand­ing ap­plic­a­tions in in­dus­tri­al and mu­ni­cip­al wa­ter treat­ment.

Proven world­wide, di­git­ally net­worked

From drink­ing wa­ter plants in Europe to in­dus­tri­al fa­cil­it­ies in Asia and sewage treat­ment plants in South Amer­ica – ProM­in­ent pumps gamma/ X and sigma are in use world­wide. Their di­git­al net­work­ing al­lows con­tinu­ous mon­it­or­ing and ad­just­ment of pro­cesses, mak­ing op­er­a­tion safer and more ef­fi­cient.
 

Intelligent Valve Positioners

Launch­ing with the dual-cer­ti­fied RTP-4400 mod­el, this re­lease from Ro­tork com­bines smooth in­stall­a­tion and com­mis­sion­ing, premi­um on­line dia­gnostics, ro­bust con­struc­tion, and seam­less sys­tem in­teg­ra­tion for fast and en­ergy-ef­fi­cient op­er­a­tion in de­mand­ing oil and gas ap­plic­a­tions, as well as in oth­er in­dus­tries re­quir­ing high-end valve con­trol solu­tions. 

For tem­per­at­ures down to -55°C

The range fea­tures mag­net-based con­tact­less po­s­i­tion feed­back, elim­in­at­ing mech­an­ic­al wear and en­sur­ing long-term re­li­ab­il­ity for both lin­ear and rotary ac­tu­at­ors. Ad­vanced pres­sure sensor-based dia­gnostics provide on­line real-time device status and pre­dict­ive main­ten­ance cap­ab­il­it­ies, while a user-friendly dash­board of­fers at-a-glance valve status. The rugged, cor­ro­sion-res­ist­ant con­struc­tion, fea­tur­ing cop­per-free alu­mini­um and elec­tron­ic cir­cuits pot­ted in res­in, en­sures dur­ab­il­ity even in harsh con­di­tions, and an arc­tic op­tion ex­tend­ing the tem­per­at­ure range down to -55 °C. 

The po­si­tion­er in­teg­rates eas­ily with all ma­jor con­trol and as­set man­age­ment sys­tems, and the dual cer­ti­fic­a­tion en­ables the use in both ex­plo­sion­proof and in­trins­ic­ally safe areas. High pneu­mat­ic ca­pa­city en­ables rap­id valve op­er­a­tion, and op­tim­ised sup­ply air con­sump­tion helps to achieve great­er ef­fi­ciency and lower op­er­a­tion­al costs. Ad­di­tion­al op­tions in­clude ana­logue and di­git­al out­puts, pres­sure gauges, and sup­port for Emer­gency Shut­down (ESD) ap­plic­a­tions with par­tial stroke test­ing cap­ab­il­ity.
 

Acoustic Camera with ATEX and IECEx Certification

FLIR has an­nounced an IECEx-cer­ti­fied ver­sion of the FLIR Si2x, an ad­vanced in­dus­tri­al acous­tic ima­ging cam­era de­signed for pro­fes­sion­al in­spect­ors re­quir­ing fast and ac­cur­ate de­tec­tion of com­pressed air and gas leaks in haz­ard­ous en­vir­on­ments. Cer­ti­fied to both ATEX and IECEx stand­ards, the FLIR Si2x is de­signed for use in ex­plos­ive at­mo­spheres.
Com­pressed air and pres­sur­ised gas leaks, mech­an­ic­al faults, and par­tial dis­charge are com­mon and costly is­sues in in­dus­tri­al sec­tors such as chem­ic­al pro­cessing, oil and gas, and phar­ma­ceut­ic­als, where safety and re­li­ab­il­ity are para­mount. The FLIR Si2x en­ables main­ten­ance pro­fes­sion­als to identi­fy and quanti­fy these is­sues with un­par­alleled pre­ci­sion and speed, even in en­vir­on­ments where the use of tra­di­tion­al tools is pro­hib­ited.

Pri­or­it­ise re­pairs eas­ily

The highly sens­it­ive mi­cro­phone ar­ray of the Si2x de­liv­ers pin­point ac­cur­acy for fault de­tec­tion up to 200 metres away, mak­ing it ideal for high ceil­ings, hard-to-reach as­sets and noisy plant floors. The on-device quan­ti­fic­a­tion func­tion en­ables the cam­era to in­stantly view leak size and es­tim­ated an­nu­al cost, as well as par­tial dis­charge sever­ity, to help pri­or­it­ise re­pairs and achieve a fast ROI. Data can be used to sup­port ESG and sus­tain­ab­il­ity re­port­ing ini­ti­at­ives.

The cus­tom­is­able band­pass fil­ter en­ables users to tar­get spe­cif­ic ul­tra­son­ic fre­quen­cies, cut­ting through noisy en­vir­on­ments to de­tect even the most subtle of leaks with clar­ity. An in­teg­rated 12 MP visu­al cam­era with di­git­al zoom and built-in LED light­ing helps users cap­ture de­tailed con­tex­tu­al im­ages for re­ports and main­ten­ance work­flows. De­signed for chal­len­ging field con­di­tions, the Si2x is light­weight, com­pact and can be op­er­ated with one hand. To trans­fer data, Wi-Fi, USB, or the new se­cure data trans­fer cable can be used to move im­ages and ana­lyt­ics to FLIR Thermal Stu­dio or FLIR Acous­tic View­er soft­ware.

There are two ver­sions of the Si2x: the Si2x-LD, which is de­signed for de­tect­ing pres­sur­ised gas leaks and mech­an­ic­al faults; and the Si2x-Pro, which in­cludes all the cap­ab­il­it­ies of the LD mod­el, plus the abil­ity to identi­fy par­tial dis­charge. All oth­er fea­tures re­main the same.
 

Vibration Monitoring Package for Cooling Tower Fans

Con­di­tion mon­it­or­ing spe­cial­ist SEN­SON­ICS are ex­perts in de­vel­op­ing highly ef­fect­ive mon­it­or­ing sys­tems based on over 50 years of ex­per­i­ence, in­clud­ing vi­bra­tion mon­it­or­ing products. A good ex­ample of this is the re­cent com­ple­tion of a cool­ing tower mon­it­or­ing project at a ma­jor Pet­ro­chem­ic­als plant.

The Project En­gin­eer at the site con­firmed they were look­ing for a suit­able sys­tem to mon­it­or and pro­tect cool­ing tower fans to pre­vent is­sues in case of fail­ure of the fan blades. The re­quire­ment would be for in­di­vidu­al sys­tems to mon­it­or each of the twenty mo­tor / gear­box driv­en fans which were loc­ated between the mo­tors and fans around the base of the cool­ing tower.

Early warn­ing to avoid ma­jor dam­age

Con­firm­ing the spe­cif­ic re­quire­ments of the ap­plic­a­tion, the Project En­gin­eer com­men­ted, “The fan speed is 131RPM / 2.18Hz and what we want is to have a single trans­ducer moun­ted on the gear­box (each fan is moun­ted on the gear­box out­put shaft) and the is­sue we want to ad­dress is the po­ten­tial fail­ure of the fan blades. When this has happened, the vi­bra­tion has been so severe it dam­aged the con­crete plat­form that the fan as­sembly is moun­ted on, as well as dam­aging ad­ja­cent fans from the fan pro­jectiles”. Also, it was con­firmed that, “The at­mo­sphere where the fan is moun­ted is very wet and windy as the fans pull moist air out of the cool­ing tower pack­ing and blows it across the gear­box and mo­tor.”

Con­firm­a­tion of these spe­cif­ic is­sues and chal­lenges ini­tially sug­ges­ted the need to in­stall a suit­ably ranged 4-20mA vi­bra­tion trans­ducer and then feed this to a closely loc­ated unit that has the start / stop but­tons for the fans, en­abling the trip­ping of a fan if the vi­bra­tion is too high.

There was also a need to feed the over­all vi­bra­tion levels to the main plant DCS sys­tem. Due to the spe­cif­ic re­quire­ments of this ap­plic­a­tion the fre­quency of re­sponse of the trans­ducers would need to be lower than be­low 2Hz and there was no re­quire­ment for any loc­al dis­play or fur­ther dia­gnostics. A simple sys­tem which would re­li­ably trip the fan out if it were fail­ing and ad­di­tion­ally to give an in­dic­a­tion on DCS for the over­all vi­bra­tion level.

Con­clu­sion

Once the spe­cif­ic re­quire­ments of this vi­bra­tion mon­it­or­ing ap­plic­a­tion were con­firmed, Sen­son­ics were able to sug­gest and sup­ply a com­bin­a­tion of their DN26 G3 dual chan­nel pro­tec­tion sys­tem along with their VEL/GLF low fre­quency (slow speed) ve­lo­city trans­ducers. Es­tab­lished in the con­di­tion mon­it­or­ing mar­ket for many years Sen­son­ics has sup­plied thou­sands of these com­pact and in­nov­at­ive, din rail mount­able DN26 G3 dual chan­nel vi­bra­tion mon­it­ors which have de­livered re­li­able and cost-ef­fect­ive vi­bra­tion mon­it­or­ing across a wide range of in­stall­a­tions. This high per­form­ance fully pro­gram­mable sig­nal con­di­tion­ing unit is cap­able of mon­it­or­ing 2 chan­nels of ab­so­lute vi­bra­tion, shaft vi­bra­tion or shaft po­s­i­tion, while a third chan­nel op­tion is avail­able for meas­ur­ing speed or for use a phase ref­er­ence.

To com­plete the solu­tion for this ap­plic­a­tion is Sen­son­ics VEL/GLF, a low fre­quency ve­lo­city trans­ducer (slow speed) op­tion proved to be ideally suited to the large fans which were op­er­at­ing at a min­im­um RPM. This elec­tro dy­nam­ic sensor provides a su­per­i­or per­form­ance com­pared to piezo-elec­tric devices by com­bin­ing high meas­ure­ment sens­it­iv­ity with a fre­quency re­sponse down to 0.5 Hz.

This level of sens­it­iv­ity, along with ex­cel­lent noise per­form­ance, provides the ne­ces­sary dy­nam­ic range re­quired for de­tailed ana­lys­is of gear­box vi­bra­tion, so is ideal for meas­ur­ing ve­lo­city vi­bra­tion on equip­ment with speeds down to 30 RPM. Fur­ther­more, the VEL/GLF has ad­vant­ages over tra­di­tion­al piezo­elec­tric based ve­lo­city vi­bra­tion sensors which are sus­cept­ible to many forms of in­ter­fer­ence in low fre­quency ap­plic­a­tions that can res­ult in spuri­ous read­ings and alarms.

As a res­ult of its ro­bust design, the VEL/GLF of­fers high noise im­munity due to the low im­ped­ance elec­tro dy­nam­ic nature of the sensor as­sembly.

In ad­di­tion to the fil­ter­ing of high fre­quency events and since no elec­tron­ic in­teg­ra­tion is re­quired, means the design of the sensor is im­mune to the sat­ur­a­tion prob­lems that im­pair the re­li­ab­il­ity of oth­er piezo­elec­tric devices.
 

TIMGlobal Media BV

177 Chaussée de La Hulpe, Bte 20, 1170 Brussels, Belgium
o.erenberk@tim-europe.com - www.pcne.eu

Editorial staff:

Advertising Sales

Europe
Austria/Switzerland
Monika Ailinger
Tel: +41 41 850 44 24
m.ailinger@marcomedia.ch
Benelux, Norway, Sweden, Denmark, Finland
Nadia Liefsoens
Tel: +32-(0)11-224397
Fax: +32-(0)11-224397
n.liefsoens@tim-europe.com
France
Raphaël Erenberk
Tel: +32 (0) 2 318 67 37
r.erenberk@tim-europe.com
Germany
Simone Ciolek
Tel: +49-(0)9771-1779007
s.ciolek@tim-europe.com
Italy, Slovenia
Andrea Rancati
Tel: +39-02-7030 0088
arancati@rancatinet.it



Turkey
Onur Dil
Tel: +90 (0) 212 366 02 76
o.dil@tim-europe.com
UNITED KINGDOM
Aodhan Dunican
Tel: +44 (0)7594 239 182
a.dunican@tim-europe.com
NORTH AMERICA
Hamilton-Murphy Global, LLC
John Murphy
Tel: +1 616 682 4790
Fax: +1 616 682 4791
john@hamiltonmurphymedia.com
JAPAN
Ichiro Suzuki
Incom Co. Ltd
Tel: +81-(0)3-3260-7871
Fax: +81-(0)3-3260-7833
isuzuki@INCOM.co.jp
Other countries
Cristian Son
Tel: +39(0)2-7030631
c.son@tim-europe.com
    Sorry, we could not find any results which match your search.

    Please log in to access all content and functionalities:


    Don't have an account yet ?
    Create one for free

    Forgot your password ?
    Get it back here